Design and preliminary testing of a particulate matter sensor using electrical conductivity analysis technique
DOI:
https://doi.org/10.60136/bas.v14.2025.4028Keywords:
Particle, Particulate matter, Sensor, ConductivityAbstract
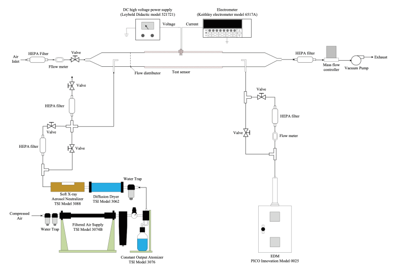
This research article presents the design and preliminary testing of a particulate matter sensor that employs the principle of analyzing particle conductivity using readily available household equipment materials. The sensor comprises a sensor head, a DC high-voltage power supply, a signal amplifier, and signal mixing circuits. These components collectively convert an analog-to-digital signal, record the data, and process it. The sensor head features a needle electrode that overlaps with a T-pipe electrode. The needle electrode is connected to a high-voltage power supply, while the T-pipe electrode is connected to the signal amplifier and mixing circuit.
This connection transmits the analog converter to a digital signal, which is then transmitted to the recording and processing system for data storage and processing. In this research, the sensor’s current and voltage measurement properties were compared to those of a comparable method detector that measures particle mass concentration. The results were satisfactory, indicating a linear correlation between the current of the developed sensor and the particle mass concentration of the comparative method detector. This suggests that the developed sensor prototype can be effectively utilized to measure high-concentration exhaust dust in real time.
References
United States Environmental Protection Agency (EPA). Health assessment document for engine diesel exhaust. EPA/600/8-90/057F [Internet]. Springfield (VA): United States Environmental Protection Agency; 2002 [cited 2025 Mar 5]. Available from: https://nepis.epa.gov/Exe/ZyPURL.cgi?Dockey=300055PV.txt
Yang HH, Dhital NB, Wang LC, Hsieh YS, Lee KT, Hsu YT, et al. Chemical characterization of fine particulate matter in gasoline and diesel vehicle exhaust. Aerosol Air Qual Res. 2019;19(6):1439-49. doi: 10.4209/aaqr.2018.12.0495.
Mehta D. The development of a nephelometer system for time-resolved particulate measurements from direct injection spark ignition engines [master’s thesis]. Austin (TX): The University of Texas at Austin; 2000.
Witze PO. Diagnostics for the measurement of particulate matter emissions from reciprocating engines. In: Proceedings of the Fifth International Symposium on Diagnostics and Modeling of Combustion in Internal Combustion Engines (COMODIA 2001); 2001 Jul 1-4; Nagoya, Japan.
Okrent DA. Optimization of a third generation TEOM monitor for measuring diesel particulate in real time. SAE Technical Paper. 1998;980409. doi: 10.4271/980409.
United States Environmental Protection Agency (EPA). Procedures for cascade impactor calibration and operation in process streams. EPA/600/2-77-004 [Internet]. Springfield (VA): United States Environmental Protection Agency; 1977 [cited 2025 Mar 5]. Available from: https://nepis.epa.gov/Exe/ZyPURL.cgi?Dockey=300055PV.txt
Smallwood GJ, Snelling DR, Neill WS, Liu F, Bachalo WD, Gülder, ÖL. Laser-induced incandescence measurements of particulate matter emissions in the exhaust of a diesel engine. In: Proceedings of the Fifth International Symposium on Diagnostics and Modeling of Combustion in Internal Combustion Engines (COMODIA 2001); 2001 Jul 1-4; Nagoya, Japan.
Allan W, Freeman R, Pucher G, Faux D, Bardon M, Gardiner D. Development of a smoke sensor for diesel engines. SAE Technical Paper. 2003;2003-01-3084 doi: 10.4271/2003-01-3084.
Goyen Controls Co Pty Ltd. Pentair [Internet]. 2010 [cited 2025 Apr 2]. Available from: http://www.cleanairsystems.com
Roessler DM, Faxvog FR. Opacity of black smoke: Calculated variation with particle size and refractive index. Appl Opt. 1979;18(9):1399-403. doi: 10.1364/AO.18.001399.
Downloads
Published
How to Cite
Issue
Section
License
Copyright (c) 2025 Bulletin of Applied Sciences

This work is licensed under a Creative Commons Attribution-NonCommercial-NoDerivatives 4.0 International License.